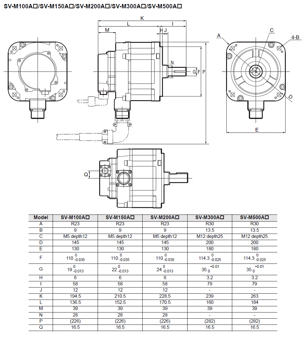
型号 | SV-M200AK | |||
一般规格 | 类型 | 标准马达 绝对(ABS)型 | ||
适用伺服放大器 | SV-200□2 | |||
额定输出 | 1.8 kW | |||
额定扭矩 | 11.5 N・m | |||
瞬时最大扭矩 | 28.7 N・m | |||
额定电流 | 16.7 Arms | |||
瞬时最大电流 | 42 Arms | |||
额定旋转速度 | 1500 min-1 | |||
最高旋转速度 | 3000 min-1 | |||
扭矩常数 | 0.748 N・m/Arms | |||
旋转惯性力矩 | 26 ×10-4kg・m2 | |||
额定功率比 | 50.9 kW/s | |||
额定角加速度 | 4420 rad/s2 | |||
励磁方式 | 永久磁石形 | |||
容许负载惯性力矩比 | 5倍 | |||
分辨率 | 20bit | |||
使用环境 | 环境温度 | 0 至 +40°C (无冻结) | ||
保存环境温度 | -20 至 +60°C (无冻结) | |||
使用/保存环境湿度 | 20 至 80%RH (无凝结) | |||
抗振性 | 以伺服马达法兰盘面基准为49 m/s2 (上下、左右2方向)、 24.5 m/s2 (前后方向) | |||
抗震性 | 以伺服马达法兰盘面基准为490m/s2、2次 | |||
防护等级 | 全部关闭、自冷、IP67标准 (不包含轴贯通部) | |||
操作环境 | 室内 (无腐蚀性气体、易燃型气体、油雾、尘埃) | |||
标高 | 海拔1000m以下 | |||
符合的标准 | UL/CSA规格 | UL1004 C22.2 No.100 | ||
CE标记 | 低电压指令 | EN60034-1、EN60034-5 | ||
EMI | EN55011 Class A、EN61800-3 | |||
EMS | EN61800-3 | |||
北美EMI限制 | FCC Part15 B、ICES-003. Class A | |||
绝缘阶层 | F种 | |||
绝缘耐压 | 1500VAC 1分钟 | |||
绝缘电阻 | 500 VDC、10MΩ以上 | |||
重量 | 约8.6kg | |||
备注 | 上述特性为作为冷却条件而安装了下述散热片时的值。・环境温度 : 40°C・安装铁制散热片1kW・1.5kW・2kW : 400×400×20[mm]3kW・5kW : 550×550×30[mm] | |||
* 如果字符难以读取,请确认CAD或手册。
