型号 | SZ-VB01 | |||
类型 | 专用安装支架 | |||
对象产品 | SZ-V 系列 | |||
内装数量 | 1 | |||
材质 | SPHC | |||
备注 | 配件:M5螺丝×4 | |||
重量 | 约 900 g | |||
* 如果字符难以读取,请确认CAD或手册。
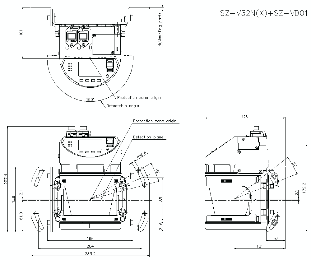
sz-v32n_x_vb01_dimension_01.gif

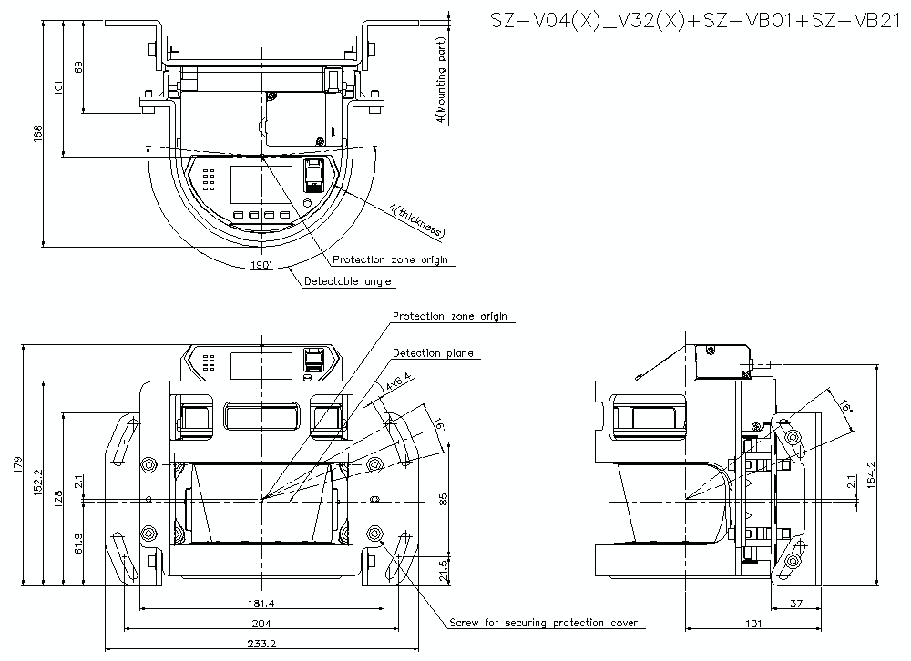
szv04_32_b01_b21_dimension_01.gif

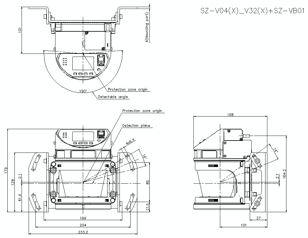
szv04_v32_x_vb01_dimension_01.gif

szvh1_vh1x_vb01_dimension_01.gif

szvh1_x_vb01_21_dimension_01.gif
