型号 | SZ-V04*1 | |||
类型 | 多功能型 | |||
检测能力 | 最小检测物体 | 直径 20、30、40、50、70、150 mm(取决于设定) | ||
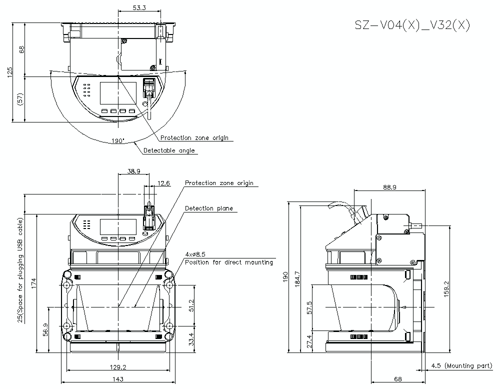
可检测角度 | 190°(-5°至 185°) | |||
响应时间(ON到OFF) | 标准模式 | 扫描周期A | 160 ms (2 次扫描)至 1280 ms (16 次扫描)*3*4 | |
扫描周期B | 168 ms (2 次扫描) 至 1344 ms (16 次扫描)*3*5 | |||
扫描周期C | 176 ms (2 次扫描) 至 1408 ms (16 次扫描)*3*5 | |||
高速模式 | 扫描周期A | 80 ms (2 次扫描) 至 640 ms (16 次扫描)*3*5 | ||
扫描周期B | 84 ms (2 次扫描) 至 672 ms (16 次扫描)*3*5 | |||
扫描周期C | 88 ms (2 次扫描) 至 704 ms (16 次扫描)*3*5 | |||
响应时间(OFF到ON) | 响应时间 (ON 到 OFF) + 150 ms | |||
保护区域 | 最小检测物体ø70、ø150 | 标准模式:8.4 m 高速模式:5.7 m | ||
最小检测物体ø50 | 标准模式:5.6 m 高速模式:3.8 m | |||
最小检测物体ø40 | 标准模式:4.3 m 高速模式:2.9 m | |||
最小检测物体ø30 | 标准模式:2.9 m 高速模式:2.0 m | |||
最小检测物体ø20 | 标准模式:1.6 m 高速模式:1.1 m | |||
警戒区域 | 最小检测物体ø70、ø150 | 标准模式:26 m 高速模式:23 m *6 | ||
最小检测物体ø50 | 标准模式:25m 高速模式:21m *6 | |||
最小检测物体ø40 | 标准模式:24m 高速模式:20m *6 | |||
最小检测物体ø30 | 标准模式:23 m 高速模式:18 m *6 | |||
最小检测物体ø20 | 标准模式:21 m 高速模式:15 m *6 | |||
额外的安全距离 | 100 mm*7 | |||
最大显示距离、最大测距输出距离 | 60 m*8 | |||
区域组数量(BANK 数量) | 最大 4 BANK | |||
扫描头增设 | 最多 3 台 | |||
相机 | ―*9 | |||
显示 | QVGA 2.2 寸 彩色液晶显示 | |||
光源 | 类型、波长 | 红外线激光二极管 905 nm | ||
激光分类 | IEC | Class1 IEC/EN60825-1 | ||
FDA | Class1 FDA 21CFR 1040.10、1040.11 (Laser Notice No. 50)*10 | |||
GB | 1 类 GB 7247.1 | |||
控制输出(OSSD输出) | 输出类型 | PNP 或 NPN 晶体管输出 (通过 SZ-V Configurator 切换设定) | ||
输出数量 | 4 个输出 | |||
最大负载电流 | 500 mA*11 | |||
残余电压 | 最大 2.5 V (电缆长度 5 m 时) | |||
OFF状态电压 | 最大 2.0 V (电缆长度 5 m 时) | |||
泄漏电流 | 最大 1 mA*12 | |||
最大容性负载 | 2.2 µF (负载电阻 100 Ω 时) | |||
负载连线电阻 | 最大 2.5 Ω | |||
输入(安全相关) | PNP | ON 电压:10 至 30 V | ||
NPN | ON 电压:0 至 3 V | |||
非安全相关输出(AUX输出) | 输出类型 | 晶体管输出 (PNP 或 NPN 通过 SZ-V Configurator 切换设定) | ||
输出数量 | 6 个输出 | |||
最大负载电流 | 50 mA | |||
ON时残余电压 | 最大 2.5 V (电缆长度 5 m 时) | |||
屏蔽指示灯 | 可以连接到白炽灯 (24 VDC、1至 5.5 W)、与 LED 灯 (负载电流 10至 230 mA) | |||
接口 | USB | USB2.0 | ||
Ethernet | 规格 | ― | ||
传输速度 | ||||
电缆 | ||||
连接器 | ||||
网络、数据输出 | ||||
电缆长度 | 电源电缆 | 30 m 或以下*13 | ||
连接电缆 | 各 20 m 或以下*14 | |||
Ethernet电缆 | ― | |||
认证标准 | EMC | EMS | IEC61496-1、EN61496-1、UL61496-1 (Type3 ESPE) | |
EMI | EN55011 ClassA、FCC Part15B ClassA、ICES-003 ClassA | |||
安全 | IEC61496-1、EN61496-1、UL61496-1 (Type3 ESPE)、 | |||
额定 | 消耗功率 | 11.8 W (无负载)、55.0 W (有负载)*15 | ||
电源电压 | 使用转换器电源时:24 VDC ±10 %、纹波 (P-P) 10 % 以下 | |||
环境抗耐性 | 外壳防护级 | IP65 (IEC60529) | ||
环境光照 | 白炽灯:1,500 lux 或 以下*16 | |||
使用环境温度 | -10 至 +50 °C (无冻结) | |||
存放环境温度 | -25 至 +60 °C (无冻结) | |||
使用环境湿度 | 35 至 85 % RH (无凝结) | |||
存放环境湿度 | 35 至 95 % RH | |||
抗震性 | 10 至 55 Hz、双振幅 0.7 mm、X,Y,Z 方向各 20 次扫频 | |||
耐冲击性 | 100 m/s2 (约 10 G)、16 ms 脉冲、X,Y,Z 方向各 1,000 次 | |||
材质 | 扫描头 | 主装置壳体 | 镁 | |
窗口 | PC、PEI | |||
指示灯部 | ―*9 | |||
显示单元 | 外壳 | 镁、PPS、PC | ||
系统内存 | 铝、PPE | |||
重量 | 约 2,100 g | |||
*1 套装型号包含显示单元、扫描头、系统内存、连接缆线 (SZ-VS005)。 | ||||
* 如果字符难以读取,请确认CAD或手册。
sz-v04_x_v32_x_dimension_01.gif

szv04_v32_x_vb21_dimension_01.gif
