规格

型号

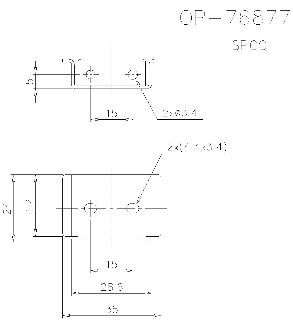
OP-76877

概要

固定DIN型放大器的稳固支架。

对象产品

AP-V80、CZ-V1/K1、FD-V70、FD-V40、FT、FW-V20、FD-MA1、GV-21/22、GT-71 (A) 、FD-SA1/2、FD-UA1

内装数量

1个

材质

SPCC

重量

约 13 g

产品尺寸

* 如果字符难以读取,请确认CAD或手册。

OP-76877 Dimension