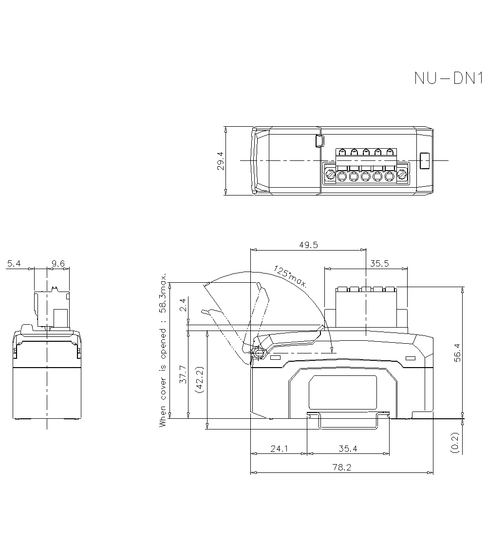
型号 | NU-DN1 | |||
可连接的台数 | 最多16台 (根据所连接的传感器放大器而不同) | |||
传感器连接 | 可连接的传感器 | 支持N-bus的传感器放大器*1 | ||
可连接的台数 | 最多16台*2 | |||
容许通过电流 | 合计1200mA 以下*3 | |||
DeviceNet™规格 | 支持功能 | 远程I/O通信 (Poll) Explicit信息通信 | ||
地址设定 | 0至63 (支持PGM) | |||
通信速度 (自动切换方式) | 500kbps、250kbps、125kbps | |||
最大电缆长度 | 500kbps | 粗电缆 | 100 m | |
细电缆 | ||||
250kbps | 粗电缆 | 250m | ||
细电缆 | 100 m | |||
125kbps | 粗电缆 | 500m | ||
细电缆 | 100 m | |||
额定值 | 电源电压 | 11至25VDC | ||
功率消耗 | 1480mW 以下 (24V时60mA以下)*4 | |||
配件 | 使用说明书、DeviceNet™连接连接器、终端单元×2 | |||
重量 | 约 65 g | |||
*1 N-bus为KEYENCE制传感器放大器省配线系统的名称。 | ||||
* 如果字符难以读取,请确认CAD或手册。
