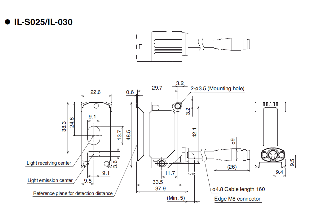
型号 | IL-030 | |||
基准距离 | 30 mm | |||
测量距离 | 20 到 45 mm | |||
光源 | 类型 | 红色半导体激光 波长: 655 nm (可见光) | ||
激光分类 | 1 类激光产品 (FDA (CDRH) Part1040.10)*1 | |||
输出 | 220 µW | |||
亮点范围(基准距离时) | 约 200 × 750 µm | |||
线性度 | ±0.1% F.S.(25 到 35 mm)*2*3 | |||
重复精度 | 1 µm*4 | |||
采样周期 | 0.33/1/2/5 ms (4 级可变) | |||
动作指示灯 | 激光发射警告明灯: 绿色 LED、模拟有效距离指示灯: 橙色 LED、基准距离指示灯: 红色/绿色 LED | |||
温度特征 | 0.05% F.S./°C*3 | |||
环境抗耐性 | 外壳防护级 | IP67 | ||
污染等级 | 3 | |||
环境光照 | 白炽灯:5,000 lux*5 | |||
环境温度 | -10 至 +50 °C (无凝结,无冻结) | |||
相对湿度 | 35 至 85 % RH (无凝结) | |||
抗震性 | 10 至 55 Hz、双振幅 1.5 mm、X,Y,Z 方向各 2 个小时 | |||
材质 | 机身外壳:PBT、金属部分:SUS304、衬垫:NBR、镜头盖:玻璃、缆线:PVC | |||
重量 | 约 60 g | |||
*1 FDA (CDRH) 的激光分类是基于 IEC60825-1 并根据 Laser Notice No.50 的要求而实施的。 | ||||
* 如果字符难以读取,请确认CAD或手册。

