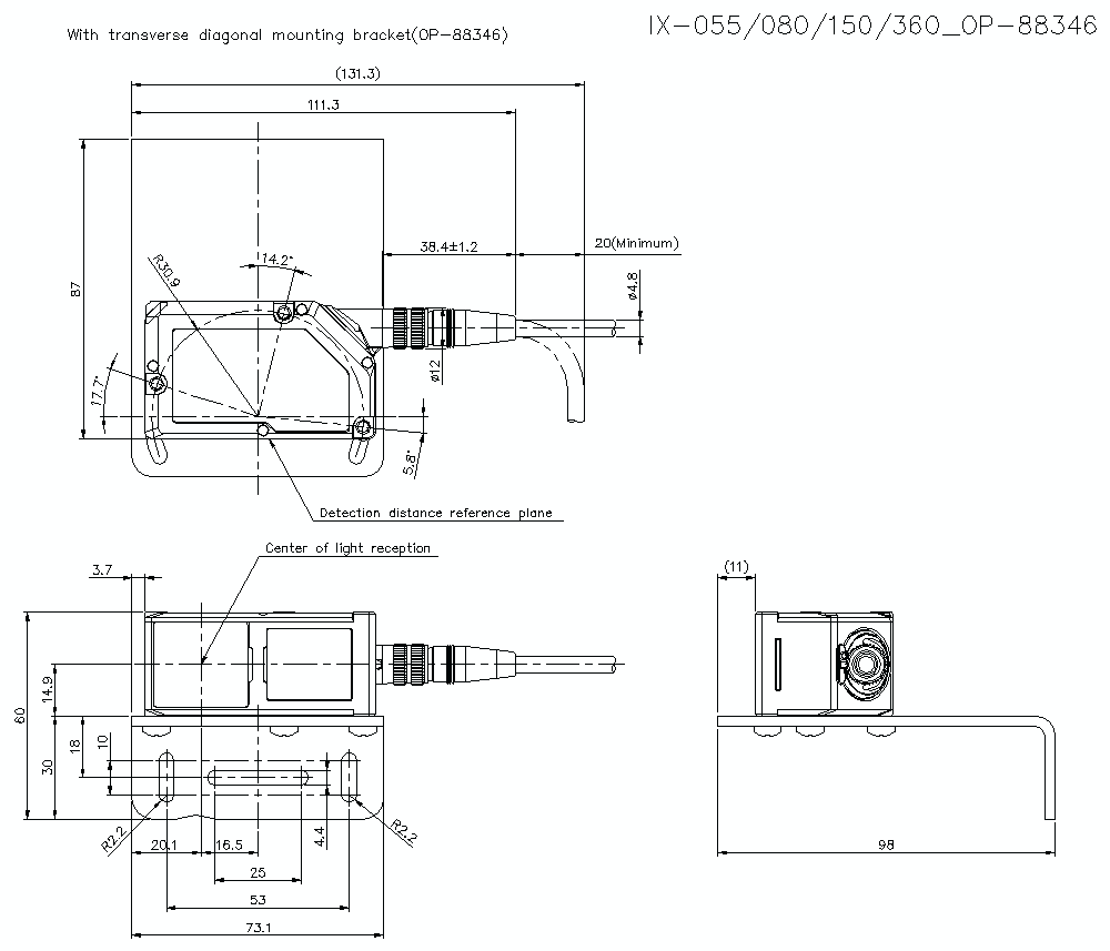
产品尺寸

* 如果字符难以读取,请确认CAD或手册。

IX-HEAD/OP/88346 Dimension