规格

型号

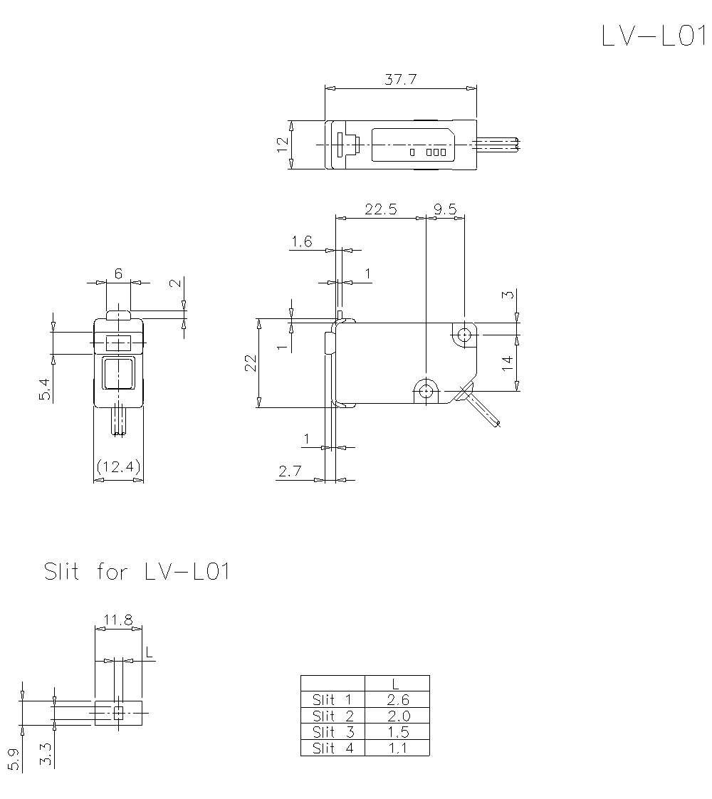
LV-L01

检测距离

标准

MEGA : 970*1
ULTRA:800 mm
SUPER:600 mm
TURBO:400 mm
FINE:200 mm
HSP:160 mm

安装狭缝板1时

MEGA : 840*1
ULTRA:700 mm
SUPER:525 mm
TURBO:350 mm
FINE:175 mm
HSP:140 mm

安装狭缝板2时

MEGA : 720*1
ULTRA:600 mm
SUPER:450 mm
TURBO:300 mm
FINE:150 mm
HSP:120 mm

安装狭缝板3时

MEGA : 600*1
ULTRA:500 mm
SUPER:375 mm
TURBO:250 mm
FINE:125 mm
HSP:100 mm

安装狭缝板4时

MEGA : 480*1
ULTRA:400 mm
SUPER:300 mm
TURBO:200 mm
FINE:100 mm
HSP:80 mm

区域宽度

标准

检测距离50 mm时 : 15 mm
检测距离100 mm时 : 26 mm
检测距离150 mm时 : 37 mm

安装狭缝板1时

检测距离50 mm时 : 11.5 mm
检测距离100 mm时 : 20 mm
检测距离150 mm时 : 29 mm

安装狭缝板2时

检测距离50 mm时 : 9.5 mm
检测距离100 mm时 : 17 mm
检测距离150 mm时 : 24 mm

安装狭缝板3时

检测距离50 mm时 : 7.5 mm
检测距离100 mm时 : 13 mm
检测距离150 mm时 : 19 mm

安装狭缝板4时

检测距离50 mm时 : 5.5 mm
检测距离100 mm时 : 10 mm
检测距离150 mm时 : 14 mm

区域厚度

检测距离50 mm时 : 2.6 mm
检测距离100 mm时 : 4 mm
检测距离150 mm时 : 5.5 mm

材料

外壳

聚甲醛 (本体)、ARTON (透镜)

重量

约 1 g

*1 只限LV-S系列

产品尺寸

* 如果字符难以读取,请确认CAD或手册。

LV-L01 Dimension