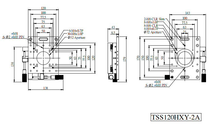
型號\規格
檯面大小
驅動模式
軸向
行程
真直度
平行度
解析度
重量
TSS120HXY-2A
120mm x 120mm
100TPI Screw
XY
±25mm
±10um
±7.5um
-NA-
1.60