详情信息
产品特点
小巧结构设计,滚珠传动;
微型步进电机驱动;
两端装有限位开关,方便准确定位和保护产品;
底座有标准孔距的螺纹孔和通孔,方便安装固定;
无轴承传动;
可手动调节输出位移;


名称:小体积位移台 | ||
型 号 | Ptx10 | 单位 |
运动维数 | X | 维 |
行程 | X轴=10 | mm |
螺杆导程 | 1 | mm |
分辨率 | 0.0025 | mm |
最大速度 | 2 | mm/sec |
重复定位精度 | <0.008 | mm |
标配电机 | 28步进电机(1.8º) | |
负载 | 2 | kg |
工作电流 | 0.45 | A |
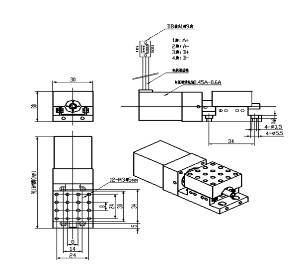
外形结构尺寸 | 见附图 | mm |
承载力 | 250 | g |
工作环境 | 三维电动平移台可在真空3个大气压下使用 | |