仪器概述

BLM-IS38-01紧凑型LED光色特性测量装置,采用了积分球型光谱测量技术,并使用校准卤素光源对整套装置进行绝对辐射校准。

该装置波长范围覆盖350nm-1050nm,光学分辨率~1nm,可测量LED相关光色特性参数,如峰值波长、中心波长、半峰宽、功率、色温和色品坐标等。

整套装置体积小巧,方便携带。壳体侧面与底面均留有固定孔,方便固定集成到其它系统中。支持RS232/RS422通讯,增强抗干扰性能,更适合应用于工业和科研领域,提供二次开发包,客户可做定制修改或功能的扩展。


应用领域

测量小功率LED的峰值波长、中心波长、半峰宽、功率、色温和色品坐标


仪器特点

体积小巧,方便携带

波长范围较宽,不止覆盖可见光范围

具备自动寻峰功能,可快速找到峰值波长、中心波长,并计算半峰宽

实时采集并计算色温、色品坐标等参数

USB2.0数据传输和供电

支持RS232/RS422通信

经过绝对强度定标,可追溯至NIST标准

支持OEM集成,提供二次开发包


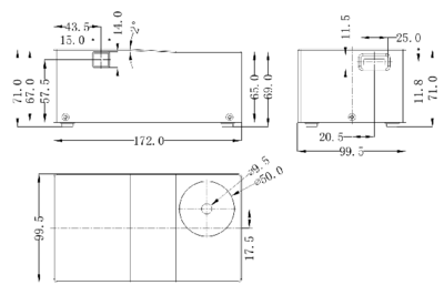
仪器尺寸

PIC1_BLM-IS38-01.pngPIC2_BLM-IS38-01.png


技术参数

技术参数.png


测量示例

PIC5_BLM-IS38-01.png

光功率测量

PIC6_BLM-IS38-01.png

峰值波长、中心波长、半高宽测量

PIC7_BLM-IS38-01.png

色温和色品坐标等色度学参数测量


包装清单

测量装置1台,USB数据线1根,光盘1张(含软件、使用手册、校准文件),定标报告1份


订购指引

可定制用于固定LED的专用夹具

可选配钨灯光源(BIM-6210)对装置作相对强度校准