AgiltronCrystaLatch系列筱晓光子引进的高性价比CrystaLatch 1x1,1x2 CL系列1x1,1x2带尾纤光开关可以将输入光通道和被选的输出光通道连接起来,实现不同光路之间的切换。光路间的切换基于已获得专 利权的结构设计和电信号驱动来实现。本产品具 有独特的闭锁功能,从而保证光路在断电后仍稳定可靠的运行。全固态设计的CL系列1x1,1x2带尾纤光开关具有低插入损耗,高消光比和良好的重复性等优点。该产品响应速度快,可以满足大部分光开关应用领域的需求,实现光路的不间断、无故障传输,对复杂环境如机械震动、冲击,和温度冲击具有优异的适应能力。
产品特点
● 无异动部件,使用寿命长
● 切换速度超快
● 极其稳定的锁存模式
● 低功耗
● 一端出纤-易于绕纤
● 具有超常的可靠性和稳定性
技术参数
1x1,1x2光开关技术指标
NS系列 1X1光开关/调制器 | 最小值 | 典型值 | 最大值 | 单位 | |
工作波长 | 780 | 1800 | |||
插入损耗 | 1260-1800nm | 0.6 | 1.0 | dB | |
960-1260nm | 0.8 | 1.3 | |||
760-960nm | 1.0 | 1.5 | |||
隔离度 | 20 | 25 | dB | ||
偏振相关损耗 | 0.15 | 0.35 | dB | ||
插入损耗温度相关性 | 0.25 | 0.5 | dB | ||
偏振模式色散 | 0.1 | 0.3 | ps | ||
回波损耗 | 45 | 50 | dB | ||
响应速度(上升沿,下降沿) | 300 | ns | |||
重复频率 | DC | 2k | Hz | ||
工作温度 | -5 | 70 | ℃ | ||
光功率限制 | 300 | 500 | mW | ||
储存温度 | -40 | 85 | ℃ | ||
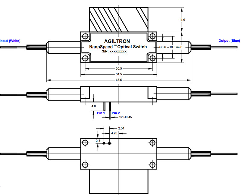
封装尺寸 | 57.5x7.35x9.7 | mm | |||
典型响应速度测量

典型带宽测量

光路驱动表
Optical Path | TTL Signal |
ON for normal-open or OFF for normal-dark | L (< 0.8V) |
OFF for normal-open or ON for normal-dark | H ( > 3.5V) |
驱动电路板
Maximum Repetition Rate | Part Number (P/N) |
5kHz | SWDR-11a251111 |
100kHz | SWDR-11a261111 |
500kHz | SWDR-11a291111 |
备注: 对于自己设计其驱动电路的客户,他们负责光学性能。有关更多技术信息,请与我们联系。
封装及尺寸
普通功率版本

高功率版本

产品应用
● 光路切换
● 高速保护系统
● 系统监控
● 测试测量
● 光纤传感系统
订购信息
□□□□ | 1 1 | □ | □ | □ | □ | □ | □ |
Type | Wavelength [1] | Configuration | Fiber Type | Fiber Length | Connector [2] | ||
NSSW=Normal Power | 1x1=11 | 1060nm=1 | Normally open /Single Stage= 11 Normally Opaque/Single Stage=21
Normally open/Dual Stage= 12 Normally Opaque/Dual Stage=22 | SMF-28=1 | Bare Fiber=1 | 0.25m=1 | None=1 |
NHSW=2 W | 2000nm = 2 | HI1060=2 | 900um Tube=3 | 0.5m=2 | FC/PC=2 | ||
NHHW=5W | 1310nm=3 | HI780=3 | Special=0 | 1.0 m=3 | FC/APC= 3 | ||
1410nm=4 | PM1550=5 | Special=0 | SC/PC=4 | ||||
1550nm=5 | PM980=9 | SC/APC=5 | |||||
1625nm=6 | Special=0 | ST/PC=6 | |||||
850nm=8 | LC/PC=7 | ||||||
780nm=7 | Duplex LC=8 | ||||||
650=E | LC/APC=9 | ||||||
550=F | Special=0 | ||||||
400=G | |||||||
Special=0 | |||||||