产品特点
● 固态,高速
● 超高可靠性
● 超低插入损耗
● 结构紧凑
技术参数
NS系列 1X4光开关 | 最小值 | 典型值 | 最大值 | 单位 | |
工作波长 | 780 | 2000 | nm | ||
插入损耗(1) | 1260-1650nm | 1.4 | 2.0 | dB | |
960-1260nm | 2.0 | 2.6 | |||
760-960nm | 2.2 | 2.8 | |||
串扰 | 20 | 25 | dB | ||
偏振相关损耗 | 0.15 | 0.35 | dB | ||
插入损耗温度相关性 | 0.25 | 0.5 | dB | ||
偏振模式色散 | 0.1 | 0.3 | ps | ||
回波损耗 | 45 | 50 | dB | ||
响应速度(上升沿,下降沿) | 30 | 300 | ns | ||
重复频率(2) | DC | 5 | kHz | ||
工作温度 | -5 | 70 | ℃ | ||
光功率限制(3) | 300 | mW | |||
储存温度 | -40 | 85 | ℃ | ||
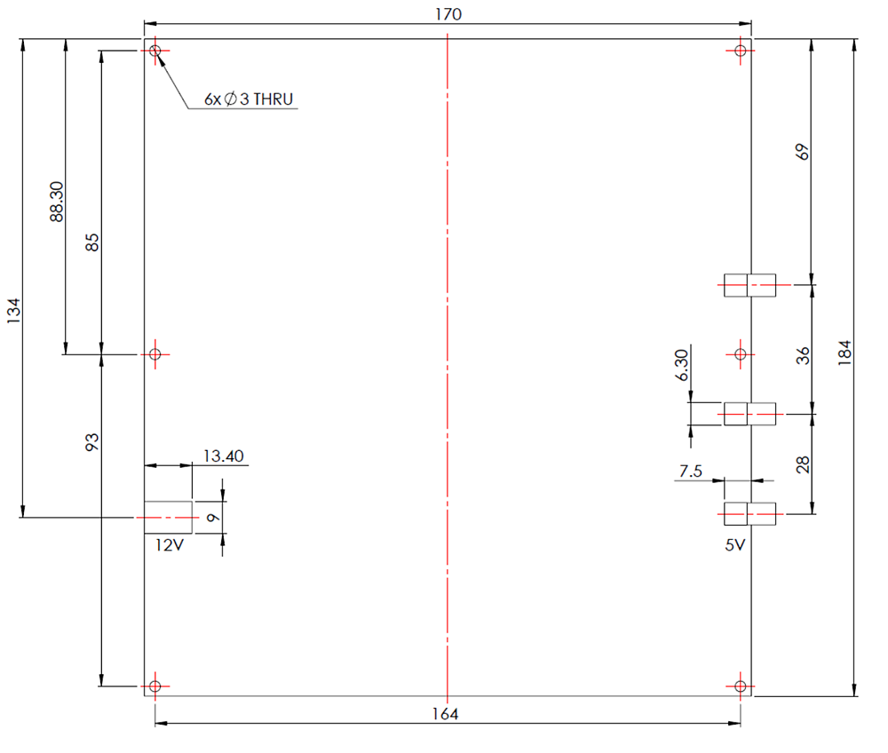
封装尺寸 | 184x170 | mm | |||
典型的速度响应测量

带宽测量

组装在PCB驱动程序上

尺寸规格
单位(mm)

产品应用
● 光学保护
● 可配置操作
● 仪器仪表
订购信息
NSSW- | 1 4 | □ | 1 | 1 | □ | □ | □ | □ |
Type | Wavelength | Optical Power Handing | Repetion Rate | Fiber Type | Fiber Length | Connector | ||
1x4=14
| 1060=1 L Band=2 1310=3 1550=5 780=7 850=8 980=9
| 500mW =1 5W =2 Special =0
| 100kHz =1 200kHz=2 500kHz=5 1MHz=9 Special =0
| SMF-28=1 PM1550=5 HI1060=2 HI780=3 Special=0
| Bare fiber=1 900umtube=3 Special=0
| 0.25m=1 0.5m=2 1.0 m=3 Special=0
| None=1 FC/PC=2 FC/APC= 3 LC/PC=7 LC/APC=9 Special=0
| |