产品特点
● 低插入损耗、高隔离度
● 结构尺寸小
● 高峰值功率
技术参数
Parameter | Unit | Value |
Center Wavelength (λc) | nm | 850 |
Operating Wavelength Range | nm | ± 30 |
Typ. Insertion Loss | dB | 1.5 |
Max. Insertion Loss, 23 ℃ | dB | 1.8 |
Min. Isolation, 23 ℃ | dB | 18 |
Min. Crosstalk (Port 1 to Port 3) | dB | 45 |
Min. Return loss | dB | 45 |
Max. Polarization Dependent Loss, 23 ℃ | dB | 0.25 |
Max. Average Optical Power | W | 1 |
Max. Peak Power for ns Pulse | kW | 2 |
Max. Tensile Load | N | 5 |
Fiber Type | HI 780 fiber | |
Operating Temperature | ℃ | 10 to +50 |
Storage Temperature | ℃ | 0 to + 60 |
IL is 0.5 dB higher and RL is 5 dB lower for each connector added. Optical Power is 1 W only for connector added.
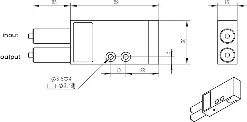
封装及尺寸
单位(mm)

产品应用
● 光纤传感
● 超短脉冲激光器
● 激光通讯
订购信息
HPCIR-①①-②②-③-④-⑤
①①: Wavelength | 84 - 840 nm, 85 - 850 nm, SS - Specify |
②: Connector Type | 1 - FC/UPC, 2 - FC/APC, N - None, S - Specify |
③: Fiber Jacket | B - Bare fiber, L - 900 μm loose tube, S - Specify |
④: Fiber Length | 1 - 1.0 m, S - Specify |
⑤: Power Type | P - Pulse application, C - Continuous wave |