筱晓光子的可见光光隔离器产品在任意偏振态下均可保持优良的返程光隔离的性能,它具有低损耗,高隔离度,高回损,低偏振相关损耗,低偏振模式色散,宽工作波段和工作温度范围,光路无胶等性能为通信网络低成本的解决方案提供了可能性,该系列产品可用于RGB系统的研究,光纤光学设备和激光器中,我们的尾纤借助于我们SM600的单模光纤以及HB600保偏光纤优异性能使其有更好的光学性能,也更好的兼容我司633nm的单模保偏光纤耦合器image.png

产品特点

● 工作波长范围宽 & 工作温度范围广

● 低插入损耗 & 高隔离度

● 偏振相关损耗及偏振模色散小

● 光路无胶

● 具有极高的可靠性和稳定性

技术参数

参数

单位

备注

中心波长(nm)

nm

633

其他波长可以定制

插入损耗

dB

≤4.5

633nm,3mw,DFB

隔离度

dB

≥16单级

@25摄氏度

偏振相关损耗

dB

≤0.1dB


光纤类型

N/A

Nufern PM630HP

其他光纤类型可选

消光比

dB

18


对轴方式


慢轴对准


偏振膜色散

Ps

<0.25


偏振色散

Ps

<0.05


回波损耗(进光/出光)

dB

>45dB


最大操作功率

mW

500


工作温度

-5-70℃


存储温度

-40-85℃


测试光源


633nm   LD-PD台式光源


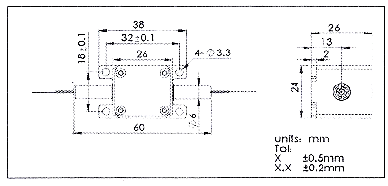
封装尺寸(mm)


如下图


备注:

*.有所指标皆为未不含接头指标,切仅在以上波长,偏振态和温度下确保有效

**.指标若有更改,恕不另行通知。

实际测试结果(633nm 4.7mw DFB激光器测试结果):

正向


反向

封装及尺寸

633.3.png

产品应用

● 光纤放大器

● WDM & DWDM 系统

● 光纤设备

● 光纤激光器

订购信息

VIS-ISO- W□□□□-S○-P▽-☆-△-XX

W□□□□: Wavelength

532: 532nm

633: 633nm

*****

850: 850nm

S○: Stage Numbers

11: 单级隔离器

P▽: Package

1: Standard

2: Mini 

☆: Pigtail Length

05: 0.5m

1: 1m

10: 10m

△: Loose Tube

B: Bare Fiber

9: 900um Loose Tube

20: 2mm Loose Tube

30: 2mm Loose Tube

XX: Fiber and Connector Type

SA=SM600+ FC/APC

SP=SM600+ FC/PC

PA=PM630 Fiber+ FC/APC

PP=PM630 Fiber+ FC/PC