MCT-15-4TE放大探测器是一种热电冷却光电导HgCdTe(碲镉汞,MCT)探测器。这种材料对2.0到15 μm的中红外光谱波段光波敏感。半导体制冷片(TEC)采用一个热敏电阻反馈电路对探测器元件的温度控制在-30 °C,从而将热变化对输出信号的影响最小化。为了获得最佳效果,我们推荐将输出电缆(不附带)与一个50欧姆的终端连接。由于探测器是AC偶合的,因此它需要一个脉冲或斩波输入信号。 交流耦合探测器不会看到未斩波的直流信号,因为它们对只对强度变化而不是强度的绝对值敏感。
产品特点
● 可探测的中红外光波波段为2.0 - 15 μm
● 低通滤波器带宽高达10Hz
● 高频截止频率:10MHZ
● 内置半导体制冷片提高灵敏度
● 2 mm x 2 mm的热电冷却探测元件
● SM1(1.035英寸-40)内螺纹
● 附带符合当地区域使用的电源适配器
技术参数
光电探测器 MCT-15-4TE 参数
项目 | 数值 |
光电探测器 | MCT探测器 |
光敏面大小 | 2X2mm |
光学窗口 | WZNSE AR |
响应波长范围 | 2.0 - 15μm |
峰值波长 | 10.6um |
相对响应强度 | 0.26A/W@10.6um |
方向性 | ±10º |
NEP | 6*10-15 W/Hz1/2 |
工作带宽 | 10HZ-14MHZ |
Voltage Noise Density (0.02 MHz) | 3.7nv/Hz1/2 |
响应度Detectivity±20%(9um) | 1.0E+10cmHz½/W |
Responsivity±20% (λ=9 μm) | 0.23A/W |
输出阻抗 | 450KΩ |
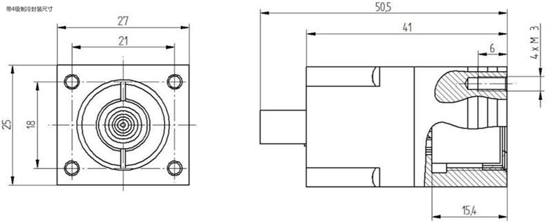
尺寸 | 27×49.4×25 |
最大输出电压 | ±10V |
工作温度 | 10~50 ºC |
最大压力差 | ±50kPa |
响应光谱

调制线性度测试(采用MCT-15-4TE 中红外MCT探测器测试)



封装及尺寸
尺寸图

安装举例

产品应用
● 中红外气体分析
● 中红外激光探测