产品特点
● 高动态范围
● 10GHZ调制带宽
● 低阈值电流
● 高输出功率
● 带有SMA连接器的7针蝶形封装
● 高可靠性
技术参数
光电参数(Tc=25°C)
参数 | 符号 | 最小 | 典型 | 最大 | 单位 |
光输出功率 | P | 10 | mW | ||
阈值电流 | Ith | 5.8 | mA | ||
操作电流 | Iop | 55 | 100 | mA | |
操作电压 | Vop | 1.5 | 2.5 | V | |
峰值波长 | λ | - | 1550 | - | nm |
斜率效能 | SE | 0.2 | W/A | ||
边模抑制比 | SMSR | 45 | dB | ||
调制带宽 | S21 | 10 | Ghz | ||
热敏电阻 | Rth | 10 | Kohm | ||
暗电流(PD) | Id | 3.8 | nA |
光谱图

功率曲线图

封装及尺寸

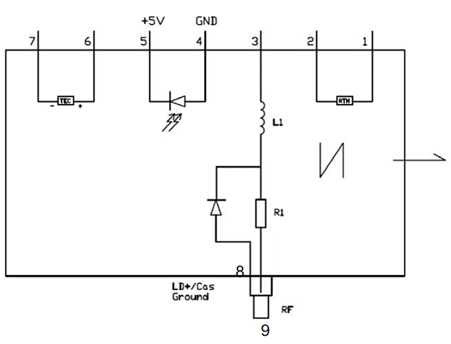
引脚定义

Lead# | Function | Lead# | Function |
1 | Thermistor | 6 | Cooler+ |
2 | Thermistor | 7 | Cooler- |
3 | LD-(Bias) | 8 | LD+/GND |
4 | PD anode | 9 | LD-(RF) |
5 | PD cathode |
产品应用
● 远程天线
● 蜂窝和PCS网络
● 军事通信
● 跟踪、遥测和控制
订购信息
LP-RF-DFB-1550-10-10-FA
RF:射频调制
工作波长:1550nm
工作带宽:10GHz
输出功率:10mw
连接头:FC/APC