产品特点
● 超高输出功率
● 窄线宽
● 内部TEC和热敏电阻
● 2 nm TEC的可调性
技术参数
参数 | 符号 | 最小值 | 典型值 | 最大值 | 单位 | 备注 |
发射波长 | λR | 1549 | 1550.12 | 1551 | nm | T = 20°C, ITEC = 0, POP= 20mw |
阈值电流 | ITH | 10 | 35 | mA | T = 20°C | |
输出功率 | Popt | 20 | 30 | 40 | mW | T = 0 … 50°C |
阈值电压 | UTH | 1.80 | V | |||
激光电流 | IOP | 200 | mA | Popt = 20mw | ||
激光电压 | UOP | 2.0 | V | Popt = 20mw | ||
电光转换率 | ηWP | 12 | % | Popt = 20mw | ||
斜率效能 | ηS | 0.74 | W/A | T = 20°C | ||
3dB调制带宽 | ν3dB | 0.10 | GHz | Popt = 20mw (由于ESD防护二极管) | ||
相对噪声强度 | RIN | -130 | -120 | dB/Hz | Popt = 0.3 mW @ 1 GHz | |
波长调谐电流 | 0.01 | nm/mA | ||||
波长调谐温度 | 0.1 | nm/deg | ||||
热电阻 | Rthermal | 3 | 5 | K/mW | ||
边模式抑制 | 30 | dB | ||||
光束发散度 | θ | 10 | 25 | ° | Popt = 20mw满1/e2带宽 | |
光谱带宽 | Δν | 3 | MHz | Popt = 20mw | ||
TEC电流 | ITEC | 1000 | mA | 需适当散热器 | ||
NTC热敏电阻 | 9.5 | 10.0 | 10.5 | kΩ | T= 25°C, | |
NTC温度依赖性 | 10/exp[3892·(1/298K-1/TOP)] | kΩ | ||||

绝对最大值
● 储存温度 -40 … 125°C
● 工作温度 -20 … 80°C
● 电功率损耗 5 mW
● 正向激光电流 2000 mA
● 反向电流 10 mA
● 焊接温度* 270C°
(*TEC 温度必须低于 70°C)
光谱图

L-I-V曲线

TEC电流调谐下的温度/波长

光束质量分析

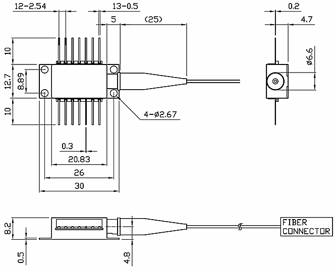
产品尺寸(单位mm)

带TEC管脚配置

1 | Thermistor | 8 | NC |
2 | Thermistor | 9 | NC |
3 | NC | 10 | NC |
4 | PD Monitor Anode (-) | 11 | Laser Anode (+),Case Ground |
5 | PD Monitor Cathode (+) | 12 | RF Laser Input Cathode (–) |
6 | Thermoelectric Cooler (+) | 13 | Laser Anode (+),Case Ground |
7 | Thermoelectric Cooler (–) | 14 | NC |
产品应用
● 光纤通讯
● 种子源