产品特点
● 内部TEC和热敏电阻
● 2 nm TEC的可调性
● 高斯型光束轮廓绝对对称的高斯型光束轮廓显著简化应用光学设计。
● 小光束发散角,发散角的范围为 20° (1/e2),可重复再现,方便激光光束传导。
● 光谱宽度窄,凭借光谱宽度通常为 100 MHz 的激光线,此类激光器专为光谱应用而设计。
● 低功率消耗,由于功率消耗仅为数毫瓦,移动应用中可采用电池运行。
● TO46&TEC
● 特定工作条件:激光电流IOP = 2 mA 目标波长λt = 850 nm @ TOP (由TEC调节)
技术参数
电学参数
参数 | 符号l | 测试条件 | 最小 | 典型 | 最大 | 单位 |
光功率Power | PP | — | 0.1 | — | — | mW |
阈值电流 | ITH | CW,TL =25℃ | 1 | 3 | 5 | mA |
驱动电流 | IOp | PO =0.1mW | — | 5 | 8 | mA |
激光器正向电压 | VLF | PO =0.1mW | — | — | 2.3 | V |
光电效率 | η | CW,TL =25℃ | 0.2 | 0.4 | 0.65 | mW/mA |
激光器TEC控制温度(环境温度25℃) | TLD | — | 15 | — | 35 | ℃ |
热敏电阻电流 | ITC | — | 10 | — | 100 | µA |
热敏电阻阻抗 | RTH | TL =25℃ | 9.5 | — | 10.5 | kΩ |
制冷器电流 | ITEC | TL =25℃, Taround =70℃ | — | — | 1.2 | A |
制冷器电压 | VTEC | TL =25℃, Taround =70℃ | — | — | 3.5 | V |
光纤和连接器
参数 | 符号 | 描述 | 最小 | 典型 | 最大 | 单位 |
尾纤长度 | L | Nufern PM 780-HP | 0.98 | — | 3.5 | m |
连接器类型 | — | FC/APC | — | — | 3.5 | — |
光学特性
参数 | 符号 | 测试条件 | 最小 | 典型 | 最大 | 单位 |
中心波长 | λC | CW TLD=25~35℃ | 840 | 850 | 860 | nm |
边模抑制比 | SMSR | CW | 10 | — | — | dB |
消光比 | ER | IF=5mA polarization ∥slow axis | 18 | 20 | — | dB |
绝对最大值
参数 | 符号 | 最小 | 最大 | 单位 |
激光器反向电压 | VRLMAX | — | 8.0 | V |
正向电流 | IFLMAX | — | 8.0 | mA |
工作温度范围 | TO | 5 | 45 | ℃ |
贮藏温度范围 | Tstg | -40 | 85 | ℃ |
热敏电阻温度 | — | — | 100 | ℃ |
制冷器工作电流 | — | — | 1.9 | A |
光谱图
高阶模式被强烈抑制,光谱带宽极窄
光束轮廓
单模 VCSEL 的远场光强分布完全符合高斯模式
LIVT 特性曲线
您将受益于较宽温度范围内的线性性能和低阈值电流
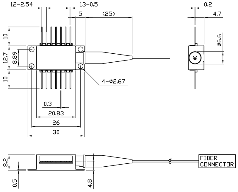
封装及尺寸
引脚定义
1 | Thermoelectric Cooler (+) | 8 | N/C |
2 | Thermistor | 9 | N/C |
3 | PD Monitor Anode (-)可选 | 10 | laser Anode (+) |
4 | PD Monitor Cathode (+)可选 | 11 | Laser Cathode (–) |
5 | Thermistor | 12 | N/C |
6 | N/C | 13 | Case Ground |
7 | N/C | 14 | Thermoelectric Cooler (–) |