产品特点
● 波长:793nm
● 出纤功率:8W
● 光纤芯径:105µm
● 数值孔径NA: 0.22
● 防反射功能发射波长:1900nm-2100nm
技术参数
典型产品技术指标(25℃) | 符号 | 单位 | P793NT8W | |||
最小值 | 典型值 | 最大值 | ||||
参数(1) | 输出功率 | PO | W | 8 | - | - |
阈值电流 | Ith | A | - | 1 | - | |
工作电流 | Iop | A | - | - | 5.5 | |
工作电压 | Vop | V | - | - | 4 | |
反向耐压 | Vre | V | - | 5 | - | |
斜率效率 | η | W/A | - | 2 | - | |
电光效率 | PE | % | - | 45 | - | |
中心波长 | λc | nm | 790 | - | 796 | |
光谱宽度(FWHM) | δλ | nm | - | 3 | - | |
防反波段 | | nm | 1900 | - | 2100 | |
防反隔离度 | - | dB | - | 30 | - | |
光斑占比 0.15NA | NA | - | - | 90 | - | |
温漂系数 | - | nm/℃ | - | 0.3 | - | |
光纤参数 | 涂覆层直径 | Dbuf | μm | - | 250 | - |
包层直径 | Dclad | μm | - | 125 | - | |
光纤芯径 | Dcore | μm | - | 105 | - | |
数值孔径 | NA | - | - | 0.22 | - | |
光纤长度(2) | lf | m | - | 1 | - | |
弯曲半径 | - | mm | 60 | - | - | |
其他参数 | ESD | Vesd | V | - | - | 500 |
存储温度(非工作状态) | Tstg | ℃ | -20 | - | 70 | |
焊接温度 | Tls | ℃ | - | - | 260 | |
焊接时间 | t | sec | - | - | 10 | |
工作温度(管壳温度)(3) | Top | ℃ | 15 | - | 35 | |
相对湿度 | RH | % | 15 | - | 75 | |
备注:
(1) 所有测试数据均在输出功率 8W 情况下测试。
(2) 可根据客户需求定制。
(3)工作温度指激光器底板温度,可接受的温度范围 15℃~35℃,但是不同温度下性能可能略有差别。
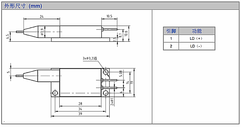
封装及尺寸
尺寸图规格及PIN脚定义

使用说明:
激光器工作时,避免激光照射眼睛和皮肤。
运输、储存、使用时必须采取防静电措施,运输和储存过程中引脚之间需连接短路线保护。
工作电流在 6A 以上的激光器请采用焊接方式连接引线,焊接点尽量靠近引脚根部,温度低于 260℃,
焊接时间小于 10 秒。
使用前需将光纤端面处理干净。
使用恒流电源,工作时避免浪涌。
应在额定电流、额定功率下使用。
激光器工作时需保证良好散热。
工作温度 15℃~35℃。
存储温度-20℃~+70℃。
产品应用
● 光纤激光器泵源
● 固体激光器泵源