位移分辨率(nm) 重复定位精度(nm)
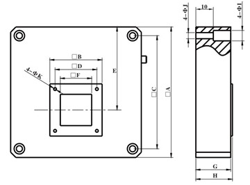
主要参数MPT-1EN/RL050 MPT-1EN/RL100 MPT-1EN/RL200 运动自由度 X X X 行程范围(μm±10%) 50 100 200 5 10 20 -/50 -/100 -/200 运动方向最大推力(N) 300 300 300 运动方向最大拉力(N) 50 50 50 最大负载(Kg) 1.5 1.5 1 固有频率(Hz) 750 450 150 重量(g±5%) 200 350 500 工作电压(V) 0~150 0~150 0~150 工作温度范围(℃) -20~80 -20~80 -20~80 外型尺寸 A×C(mm) 75×65 90×80 110×100 运动部分 B×D(mm) 30×24 45×37 65×53 运动部分 E (mm) 47.7 55.2 65.2 中空尺寸 F(mm) 18 29 41 外形尺寸 G×H(mm) 20×21 20×21 20×21 安装尺寸 I×J(mm) 6×3.5 6×3.5 6×3.5 安装尺寸 K M2 M2.5 M3 模型下载 IGS IGS IGS
开环工作台推荐匹配电源型号:HPV-1C0150A0500;闭环工作台推荐匹配电源型号:PPC-1CR0150