产品参数:
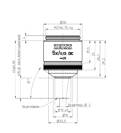
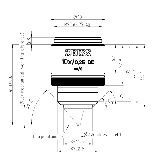
规格 | Objective EC "Epiplan-Neofluar" 5x/0.13 DIC M27 | Objective EC "Epiplan-Neofluar" 10x/0.25 DIC M27 | Objective EC "Epiplan-Neofluar" 20x/0.50 DIC M27 | Objective EC Epiplan-Neofluar 50x/0.8 DIC M27 | Objective EC Epiplan-Neofluar 100x/0.90 DIC M27 |
放大倍数 | 5x | 10x | 20x | 50x | 100x |
数值孔径 | 0.13 | 0.25 | 0.5 | 0.8 | 0.9 |
工作距离[mm] | 15.8 | 9.3 | 2.1 | 0.57 | 1.0 |
盖玻片厚度[mm] | 0 | 0 | 0 | 0 | 0 |
螺纹类型 | M27x0.75 | M27x0.75 | M27x0.75 | M27x0.75 | M27x0.75 |
浸油 | 无浸油 | 无浸油 | 无浸油 | 无浸油 | 无浸油 |
视野[mm] | 25 | 25 | 25 | 25 | 25 |
齐焦距离[mm] | 45.00 | 45.00 | 45.00 | 45.00 | 45.00 |
机械尺寸图:





透射率曲线:




