产品参数:

规格

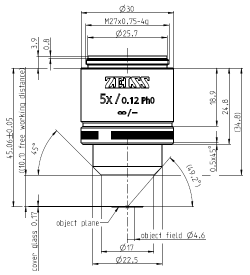
Objective "A-Plan" 5x/0.12 Ph0 M27

放大倍数

5x

数值孔径

0.12

工作距离[mm]

10.1

盖玻片厚度[mm]

0.17

螺纹类型

M27x0.75

浸油

无浸油

视野[mm]

23

齐焦距离[mm]

45.06


机械尺寸图:

透射率曲线: