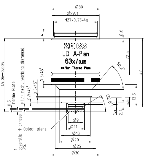
LD A-Plan

产品参数:

规格

Objective LD A-Plan 63x/0,65 for Thermo Plate M27

放大倍数

63x

数值孔径

0.65

工作距离[mm]

1.1

盖玻片厚度[mm]

1.0

螺纹类型

M27x0.75

浸油

无浸油

视野[mm]

23

齐焦距离[mm]

45.06

 

产品机械尺寸图: