连接件:PJJ01

 

连接件:PJJ02

 

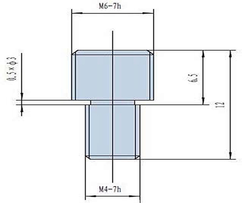
连接件:PJJ03

 

连接件:PJJ04

 

连接件:PJJ05