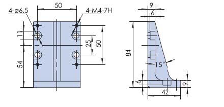
直角固定块:PJK02

型号

■特点:
■硬铝材质精密加工

■主要用于将位移台组合成两维或三维正交系统,也可将其它调整架正交组合
■两正交面精密加工,保证了垂直度
■多种安装孔位设计,通用性强

■自重0.3kg

PJK02