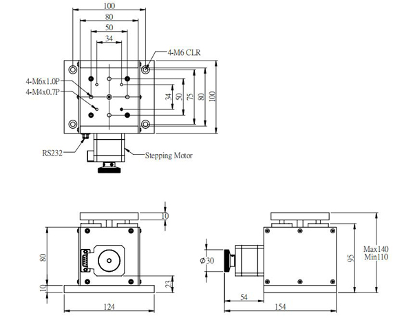
产品描述:

型  号

平台尺寸

位移行程

重复精度

承重

重量

PT80-30

80mmX80mm

30mm

20um

20Kg

2.5kg