精密型电动旋转台(蜗轮蜗杆): PT-GD201
□产品特性:
■标配步进电机,公司的运动控制器可对其实现自动化控制
■旋转轴系采用多道工艺精密加工而成,配合精度高,承载大,寿命长
■采用精密研配的蜗轮蜗杆结构,运动舒适,可以正向和反向旋转且空回小
■设计精巧的消空回结构,可调整长期使用造成的空回间隙
■特殊的结构设计保证了旋转台面极低的端跳和偏心,使旋转运动更加平稳
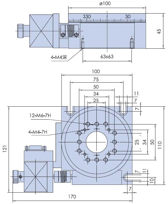
■旋台的中心通孔与旋转中心有严格的同轴度要求,旋台的中心孔径有严格的配合公差限制,方便客户做精密定位
■台面外围的刻度圈是激光刻划标尺,标尺可相对台面转动,方便初始定位和读数
■步进电机和蜗杆通过高品质弹性联轴节连接,传动同步,消偏性能好,大大降低了偏心扰动且噪音小。
■电动旋转台可平放使用也可立式使用,可与其他种类台子组成多维电动调整台
■可增加限位功能,增加初始零位 ,换装伺服电机,加装旋转编码器,接受产品的改制和定制。
■可换装三相步进电机或换装伺服电机增大旋台的转速和扭矩
产品参数为电性能参数
产品型号 | PT-GD201 | |
结 构 描 述 | 角度范围 | 360° |
台面尺寸 | φ100mm | |
传动比 | 180∶1 | |
驱动机构 | 蜗轮和蜗杆机构 | |
导轨形式 | 轴承 | |
步进电机(1.8°) | 42BYG | |
主体材料 | 铝合金 | |
表面处理 | 阳极氧化发黑 | |
中心承载 | 45kg | |
重量 | 1.7kg | |
精 度 描 述 | 分辨率 | 0.01°(无细分) 0.0005°=1.8″(20细分) |
速度 | 25°/sec | |
重复定位精度 | 0.005°=18″ | |
绝对定位精度 | 0.01°=36″ | |
端跳精度 | 15μ | |
空回 | 0.005°=18″ | |
偏心 | 5μ | |
丢步 | 0.005°=18″ | |
平行度 | 80μ |