此款产品为订制品,订货周期为20天!

产品参数:

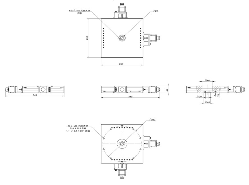
型号:PT-XY15T

行程:XY 均为15mm;

电机:42步进电机驱动;

重复定位精度:0.01mm;

负载:30kg;

产品尺寸图: