精密型电动平移台(圆导轨):PP120-(50-300)
□产品特性:
■标配步进电机,公司的ZD-KZ系列运动控制器可对其实现自动化控制
■进口精密滚珠螺杆驱动,重复定位精度和绝对定位精度好,轴向间隙小,寿命长
■防松和防轴窜结构,有效防止螺杆松动,轴向窜动,有效保证重复定位精度和定位精度,特别适合高速往复使用
■导轨采用精密线性轴承导轨(两端支撑,中间悬空),承载较小,适合单轴科学试验使用,垂直使用效果好
■合理的导轨调整固定方式大大提高了导轨的安装精度,有效保证运动的直线度和平行度,运动舒适度
■步进电机和滚珠螺杆通过高品质弹性联轴节连接,消偏性能好,大大降低了偏心扰动且噪音小
■配有手轮,方便调试
■两端装有零位和限位开关,方便准确定位和保护产品
■底座有标准孔距的螺纹孔和通孔,方便安装固定
■可换装伺服电机,光栅尺做闭环控制,实现高速重载
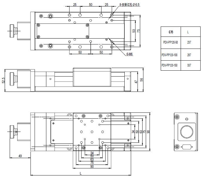
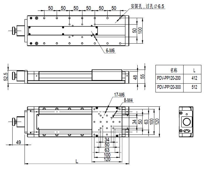
产 品 型 号 | PP120-50 | PP120-100 | PP120-150 | PP120-200 | PP120-300 | |
结 构 参 数 | 行程(mm) | 50 | 100 | 150 | 200 | 300 |
台面尺寸(mm) | 90×90 | 90×90 | 90×90 | 120×120 | 120×120 | |
螺杆导程(mm) | 4 | |||||
导轨 | 精密线性轴承导轨 | |||||
额定电流 | 1.9A | |||||
步进电机 (步距角) | 42(1.8°) | |||||
主体材料 | 铝合金 | |||||
表面处理 | 阳极氧化发黑 | |||||
中心负载(KG) | 15 | 15 | 10 | 7 | 5 | |
平台重量(KG) | 2.8 | 3.4 | 4.5 | 5.2 | 6.3 | |
精 度 参 数 | 8细分分辨率(μm) | 2.5 | ||||
Z大速度 | 20mm/sec | |||||
重复定位精度(μm) | 5 | |||||
对定位精度(μm) | 10 | |||||
直线度(μm) | 6 | 7 | 7 | 8 | 8 | |
运动平行度(μm) | 10 | 15 | 20 | 25 | 30 | |
俯仰 | 25″ | 50″ | 50″ | 60″ | 60″ | |
偏摆 | 20″ | 25″ | 25″ | 30″ | 30″ | |
回程间隙(μm) | 2 | 2 | 2 | 2 | 2 | |
丢步(μm) | 3 | 3 | 5 | 5 | 5 | |
附件描述 | 可加装失电制动功能(Z) | |||||
可加装光栅尺(G) | ||||||
可换装伺服电机(D) | ||||||
可加装防尘罩(F)
| ||||||

