精密型电动平移台(交叉滚柱):PP110-(30-75)
□产品特性:
■标配步进电机,公司的ZD-KZ系列运动控制器可对其实现自动化控制
■产品结构小巧轻薄,适合与轻载,低速使用,科学试验使用
■高品质精磨丝杠驱动,小导程,相同细分数可达到高的分辨率
■巧妙的消空回螺母结构设计,可使研磨丝杠副的间隙降到很小
■导轨采用交叉滚柱导轨,运动舒适,有侧向调整导轨预紧力和消间隙之功能,可多维组合使用
■精磨电移台底板和合理的导轨固定方式大大的降低了电移台的俯仰和偏摆,使运动的直线度和平行度有较大提高
■步进电机和研磨丝杆通过进口高品质弹性联轴节连接,传动同步,消偏性能好,大大降低了偏心扰动且噪音小
■配有手轮,方便调试
■两端装有零位和限位开关,方便准确定位和保护产品
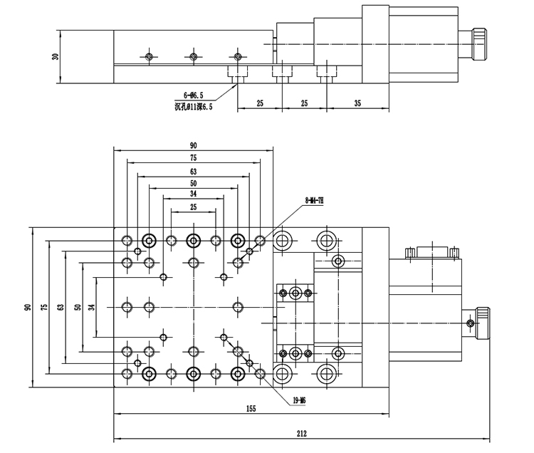
■底座有标准孔距的螺纹孔和通孔,方便安装固定
■可换装伺服电机,光栅尺,接受产品的改制和量身定制
产品型号 | PP110-30 | PP110-50 | PP110-75 | ||
结 构 描 述 | 行程 | 30mm | 50 mm | 75 mm | |
台面尺寸 | 90×90mm | 90×110mm | 90×110mm | ||
螺杆规格 | 研磨丝杆(导程1 mm) | ||||
导轨 | 精密交叉滚柱导轨 | ||||
步进电机(1.8°) | 42BYG | ||||
主体材料 | 铝合金 | ||||
表面处理 | 阳极氧化发黑 | ||||
台面承载 | 15kg | 20 kg | |||
重量 | 1.25kg | 1.4kg | 1.7kg | ||
精 度 描 述 | 分辨率 | 5μ(无细分) 0.25μ(20细分) | |||
Z大速度 | 10mm/sec | ||||
重复定位精度 | 5μ | ||||
绝对定位精度 | 10μ | ||||
直线度 | 8μ | 12μ | |||
运动平行度 | 15μ | ||||
俯仰 | 25″ | ||||
偏摆 | 20″ | ||||
回程间隙 | 2μ | ||||
丢步 | 2μ | ||||
附 件 描 述 | 可加装限位开关和光耦开关 | ||||
可加装光栅尺(G) | |||||
可换装伺服电机(D) | |||||
PP110-30
组合应用(二维)
组合应用(三维)
组合应用(多维)