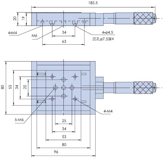
精密型手动平移台:PT120-25-53
■特点:
■导轨为线性滚珠走精磨钢棒,承载较轻
■精密加工的基座和台面,使台子的运行直线度,偏摆,俯仰,运动平行度在一定精度范围内
■位移调整采用测微头驱动
■微小调整量保证台面的微量进给
■测微头在平移台中央放置,便于调节
■采用弹簧复位,消除轴向间隙
■台面和底座分布标准孔距的安装孔,方便安装和组合
■可与其它系列位移台组成多维调整架
普通型 | |
型号 | PT120-25-53 |
台面尺寸 | 65mm×65mm |
驱动方式 | 测微头 |
驱动位置 | 中央驱动 |
行程 | 25mm |
zui小调整量 | 1μ |
导轨形式 | 线性滚珠走精磨钢棒 |
承载 | 8kg |
直线度 | 20μ |
偏摆 | 80″ |
俯仰 | 60″ |
台面平行度 | 30μ |
运动平行度 | 30μ |
自重 | 0.35kg |
材料 | 硬铝 |
表面处理 | 阳极氧化染黑 |