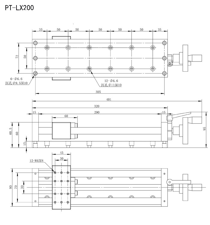
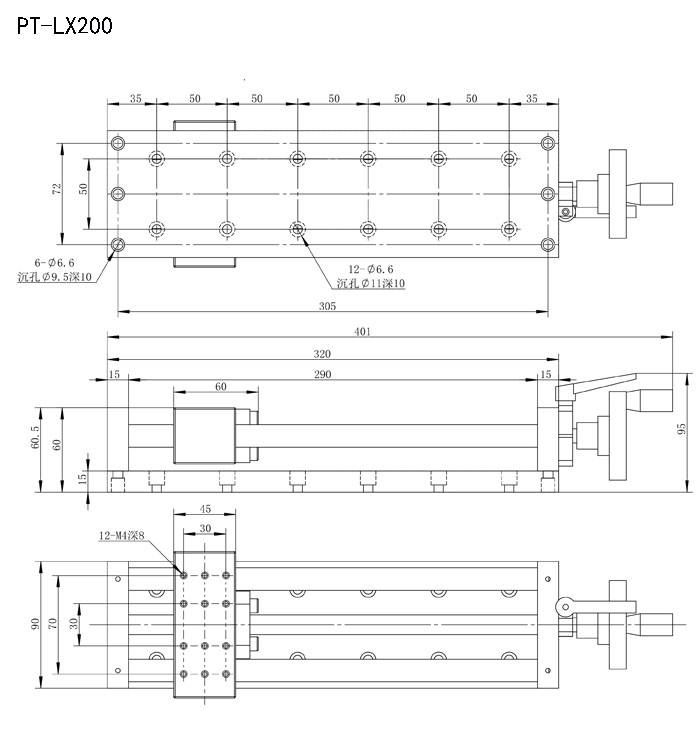
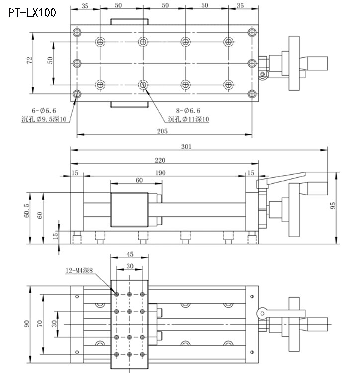
★丝杆规格: 滚珠丝杆  1605
★导轨规格: 16mm

导程:5MM

★铝材厚度:15MM

型号:6061

★高精密性,重负载性;

★重复定位精度达±0.02mm

型号

行程(mm

直线轴承

负重

PT-LX100

130行程

LM16UU

50KG

PT -LX200

230行程

LM16UU

50KG

PT-LX300

330行程

LM16UU

50KG

PT-LX100二维图.jpgPT-LX200二维图.jpgPT-LX200二维图.jpgPT-LX300二维图.jpg