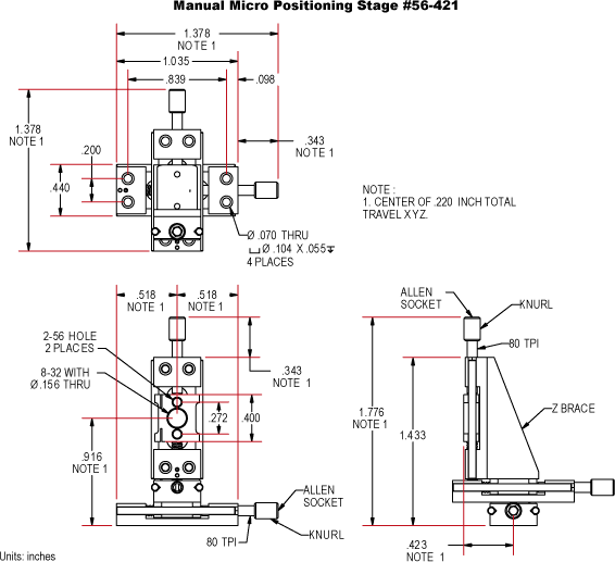
本品如今已突破空间的限制,为最小的位置调节器。采用弹簧机架,运动平滑,无空回。直线精度超过2微米,采用细牙螺纹,每英寸有80圈螺纹,大版系列,B尺寸的调整台特点是长行程、大载荷;完全按照公制尺寸制作,兼容光孔;导轨隐藏版相对较宽,但是对导轨有所保护。附件可安装我们的精密针孔光栏用于空间滤波,铝合金结构 ,表面氧化处理,不锈钢导轨。


















构造 :
Aluminum Body, Stainless Steel Rails
Guide System:
Ball Bearing
驱动类型:
Fine Screw (80 Pitch)
Drive Orientation:
Center Drive
摆动 (mrad):
0.01