有些观测场合需要连续变倍功能,我们为您提供的变倍检测显微镜操作方便,变倍范围广,可适用在各种场合。两个4倍变焦物镜可选倍率,一个规格是0.75X 到 3X ,另一个规格是 2.5X到10X。使用不同的目镜,放大倍率最高可达到200X,最低可为7.5X。可加视频功能。本系统推荐使用光纤环形光导照明,可将显微镜固定在机架台和齿轮调节组方便调节
本产品依照标准配置有变焦显微镜机身和20X目镜,视觉放大倍率范围为15X到60X。采用20X目镜时单筒和双筒系统的等焦距离都为60mm。也可以使用15X或10X目镜,见如下表。本系统不是等焦,在使用其它目镜时,焦面位置会有所变化。双筒系统可同时使用目视和视频。视频倍率由所使用的显示器的尺寸和CCD尺寸决定。下面列出的是系统采用½”CCD和15.1”显示器时的参数。单目版只有一个观察口,与光轴成45°
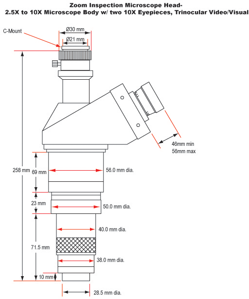
本显微镜特点是三输出结构,带显微镜镜身和一对10X目镜和C接口适配器来连接视频端口。目视系统放大倍率从25X到100X,用另外的20X目镜的话,倍率可增大到200X。可同时目视观察和使用视频图象,扩展了显微镜的使用范围。考虑到观察的舒适性,目镜设计成45度结构,瞳距可调范围从53mm到73mm.视频放大倍率取决于所使用的显示器和CCD尺寸(下列数值是系统采用½”CCD和15.1”显示器时的参数)



| Microscope Model | Working Distance | 10X Eyepiece | 15X Eyepiece | 20X Eyepiece | |||
| Mag. | FOV (mm) | Mag. | FOV (mm) | Mag. | FOV (mm) | ||
| 0.75X - 3X Visual | 60mm | 7.5X - 30X | 20 - 6 | 11.25X - 45X | 17 - 4.4 | 15X - 60X | 15.5 - 3.7 |
| 0.75X - 3X Visual / Video | 60mm | 7.5X - 30X | 20 - 6 | 11.25X - 45X | 17 - 4.4 | 15X - 60X | 15.5 - 3.7 |
| 2.5X - 10X Visual / Video | 36mm | 25X - 100X | 7.2 - 1.8 | 37.5X - 150X | 4.8 - 1.2 | 50X - 200X | 4 - 0.9 |
| Microscope Model | Field of View | System Magnification | Working Distance |
| 0.75X - 3X Visual / Video | 8mm - 2mm | 36X - 144X | 60mm |
| 2.5X - 10X Visual / Video | 2.56mm - 0.64mm | 120X - 480X | 36mm |
Note: These specifications are for a system using a ½" sensor camera and a 15.1" monitor.
| System #52-353 Includes | Stock No. |
| Trinocular Microscope Body | #52-352 |
| Hitachi KP-D20B Camera | #55-837 |
| 15.1" LCD Monitor | #56-522 |
| Rack and Pinion Movement | #03-609 |
| Standard Lab Base | #85-347 |
| 9" Vertical Post | #39-350 |
| Y-C Cable (6 ft.) | #39-255 |
| F.O. Illumination Source (110v) | #55-718 |
| Fiber Optic Ring Guide | #54-175 |
| Fiber Optic Adapter | #38-944 |
生产商:
EO