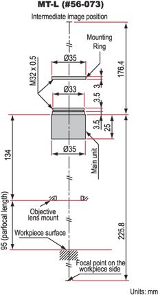
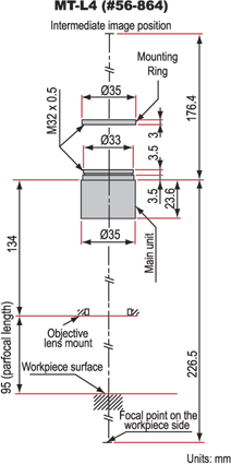
本产品的功能类似一个二级镜头,与MITUTOYO 远场校正镜头,配合使用形成实象,也可以换成经济型的FS70 显微镜或Infinitube™ 内置部件。可选各种部件,取决于系统需要。MT-4 和 MT-40 为最终用户集成而设计,可以通过我们的 Mitutoyo C 接口相机延长管 #56-992轻松用于任何 C 接口相机. 建议将 MT-4 镜筒透镜用于放大倍率为 1 倍至 20 倍的物镜, 而 MT-40 则用于放大倍率大于 >20倍的物镜。 MT-1转接镜头可将分光镜导入成像光路,使用者可内置照明系统;MT-2转接镜头与MT-1很相似,但是有效焦距为400mm,将系统放大率提高了两倍,各种MITUTOYO镜头都如此。MT-L 和MT-L4镜头分别是为M-PLAN NUV和M PLAN UV系列镜头设计的。关于NIR和zoom转接镜头,也可选用我们自己的精密变焦镜头。







