
深圳市比尔朗伯科技自主研发的高稳定全光纤式多反射赫里奥特池,专注于军工和工业等高震动环境下的高灵敏度气体检测。
整个池体内部由一个一体式的镜片结构组成,这样能使整个池子处于一个震动状态下,从而避免高震动环境对气体检测的干扰。
目前该结构的池子广泛用于氨逃逸现场、过程分析锅炉、泵吸式甲烷遥测等震动剧烈的环境下,其一体式的设计,成功避免了震动带来的信号的干扰,使高震动环境下的气体检测精度可以达到0.1ppm以下。
产品优势:
一体式镜片结构,避免高震动环境干扰;
全光纤输入输出,多种光纤接口可选;
超小的气室体积,约50ml,池子整体约140mm,池子仅几斤重;
是工业便携式仪器的最佳选择,广泛用于油田、煤矿等气体监测项目;
拥有3.5m、6m、8m等多种光程可选。
可支持0.2um-12um的任意波长的定制,可承受高达230℃的高温;
详细介绍:
深圳市比尔朗伯科技自主研发的高稳定全光纤式多反射赫里奥特池,专注于军工和工业等高震动环境下的高灵敏度气体检测。
整个池体内部由一个一体式的镜片结构组成,这样能使整个池子处于一个震动状态下,从而避免高震动环境对气体检测的干扰。
目前该结构的池子广泛用于氨逃逸现场、过程分析锅炉、泵吸式甲烷遥测等震动剧烈的环境下,其一体式的设计,成功避免了震动带来的信号的干扰,使高震动环境下的气体检测精度可以达到0.1ppm以下。

图1、赫里奥特池光路简图
一体式镜片结构设计:
深圳市比尔朗伯科技自主研发的这款赫里奥特池的镜片拥有一体式结构,与俄罗斯著名的Loffe 物理技术研究所合作研发设计,拥有独立的知识产权。
整个镜片结构是由一个柱形透镜切割而成,两端透镜经过特殊镀膜处理,使光能够在池子内部多次反射,整个池子内部的损耗小于2.5dB。一体式的镜片设计是目前最适合高震动环境下工作的设计,整个光学体都处于同一震动条件,没有分离件,是目前最具特色的设计。
全光纤输入输出:
比尔朗伯科技设计的这款赫里奥特池在内部熔接光纤,将准直和耦合集成在池子镜片内部(类似蝶形封装和pigtail封装的激光器内部的光纤耦合熔接),使外部激光器和探测器的光都通过光纤输入输出,这样可以最大化的减小震动造成的光路偏差影响。如果客户采用全光纤熔接的方式,整个光路将几乎不受震动影响,我们在氨逃逸现场震动环境下测试,整个震动对光路噪音的影响约零点几个dB,极高的稳定性几乎可以满足所有客户的需求。
深圳市比尔朗伯科技自主研发的高稳定全光纤式多反射赫里奥特池,专注于军工和工业等高震动环境下的高灵敏度气体检测。
整个池体内部由一个一体式的镜片结构组成,这样能使整个池子处于一个震动状态下,从而避免高震动环境对气体检测的干扰。
目前该结构的池子广泛用于氨逃逸现场、过程分析锅炉、泵吸式甲烷遥测等震动剧烈的环境下,其一体式的设计,成功避免了震动带来的信号的干扰,使高震动环境下的气体检测精度可以达到0.1ppm以下。
深圳市比尔朗伯科技的团队目前可以提供这种设计的光程为3m、6m、8m、20m的多反射赫里奥特池,更多光程的可以与我们联系定制生产。
超小的气室体积:
比尔朗伯科技设计的这款赫里奥特池拥有超小的气室体积,约50ml,池子整体约140mm,池子仅几斤重,可以非常方便携带,是工业便携式仪器的最佳选择,目前在油田、煤矿等气体监测项目上广泛应用。
支持定制:
比尔朗伯科技拥有自主研发能力,支持各种光程的赫里奥特池的定制。并可以帮助客户熔接光纤以及配备FC/PC、FC/APC、ST、SMA905等各种接头,方便不同应用的客户使用。
附加资料:与怀特池相比的主要优势
赫里奥特池与怀特池最大的不同在于反射点,怀特池的每一次的反射都是在镜面的中心处,所以在每个小镜子的中心处都同时发生有多次反射,每一次反射的光斑彼此会相互重叠;而赫里奥特池的反射点是分布在反射镜的周边,形成一个圆环,每一个反射点都会形成独立的光斑,彼此不会重叠。
如果使用的不是激光光源,而是光谱更宽的LED光源或热电光源等,那么反射点的光斑彼此重叠并不会有什么影响,而如果使用的激光这种窄线宽的光源,光斑彼此重叠会导致激光的相互干涉,从而产生干涉噪音。而赫里奥特池可以解决这个问题,因为赫里奥特池的每一个光点都是独立的,彼此没有重叠,所以并不会产生干涉条纹。
简而言之,在使用非激光光源时,怀特池和赫里奥特池都可以使用,而使用窄线宽的激光光源时,为避免干涉导致的光学噪音,赫里奥特池是最佳的选择。

图一、气室装配图

图二、气室外形及尺寸图

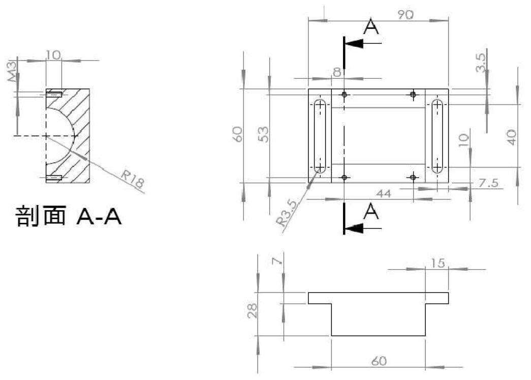
图三、气室安装架参考尺寸

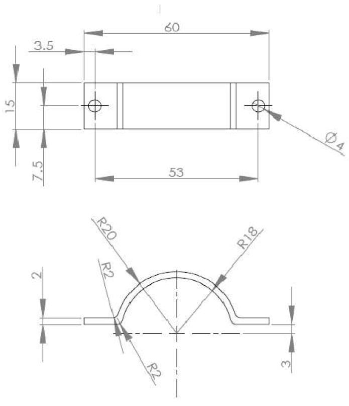
图四、气室压板参考尺寸
技术参数:

镜片镀膜反射率系数

(备注:比尔朗伯科技具备独立光学设计能力,可根据客户需求定制工业或实验室用Herriott气体池,有效光程数米至数百米不等,0.2um-13um间任意波长可定制,更多信息可 联系我们 。)