12xxnm-23XXnm全波段激光器
德国VERTILAS拥有独有的长波长VCSEL技术,可提供1.27um-2.4um的任意波长的VCSEL激光器,以满足快速增长的可调谐半导体激光光谱(TDLAS)技术应用的市场需求。
另外,VERTILAS可提供该多种封装形式的激光器,并提供开放光路的TO封装解决方案和光纤的解决方案,产品组合包括标准和特定应用产品,并提供激光以检测气体,并可配备气密密封盖和光纤耦合连接器.VERTILAS可接受封装的定制.
VERTILAS全球领先的技术和产品使客户能够设计和制造高灵敏度、低功耗、高性价比、小型化的光谱解决方案,如测H2O、NH3、CO、CO2、H2S、CH4、HCL等。
产品优势:
760nm到23XXnm全波段激光器可选择,专业用于气体吸收光谱分析
宽范围的运行温度: -20 to +70 °C (max.)
拥有宽调谐范围和精细的波长精度
可对电流调制做出快速反应
多种封装可以灵活选择,制冷模式可根据需要选择
低功耗和低阈值电压和电流
详细介绍:
VCSEL激光器一般具有很高的电流和波长依赖性,其波长可调谐范围通常在1-3nm之间,并且具有极高的响应速率,因此特别适合高速扫描的气体可调波长检测应用。相比昂贵的DFB激光器,VCSEL具有很好的性价比和更高反应速度。
德国VERTILAS公司拥有独有的长波长VCSEL技术,可提供1.27um-2.4um的任意波长的VCSEL激光器,VCSEL结构的激光器相比于其他结构的激光器(如DFB激光器、QCL激光器、ICL激光器、DBR激光器),它主要拥有以下几个优势:
1、发热量小,适用于常温,常温工作甚至可以不加温控。(VCSEL结构的特性)
2、光谱稳定性高。(因为发热小,控温非常容易,光谱受外界温度影响小,从而稳定性非常高。)
3、光谱线宽窄,从而拥有更高的测量精度。
4、价格最便宜,工艺成本低。(VCSEL结构激光器发展早,工艺成熟度最高,早已量化生产,成本最低。传统的激光器因为是侧发光的,所以需要切割成条状或者chip才可以使用。而VCSEL(垂直腔体)激光器发光是垂直于晶圆的表面,因此可以在一个晶圆上生长更多的激光器,而且仅需要检测晶圆就可以达到监测激光器的目的,也同时具有圆形的光斑和更小的发散角,因此生产激光器的工艺变的简单而且可靠,产品的成本也因此会大大降低)
5、极高的响应速率,特别适合需要高速扫描的气体检测应用。(而且VCSEL激光器一般都具有极高的直接调制速率,VERTILAS目前提供的速率为12.5G,非常适合高速扫描的TDLAS技术、CRDS技术和PAS技术。)

德国VERTILAS公司生产的专用于气体传感器的VCSEL激光器具有多种波长,可以满足大多数常见有害气体的分析测量,如:测量H2O(水汽)的1392nm、1398nm、1854nm和1877nm;测量NH3(氨气)的1512nm;测量CO(一氧化碳)的1567nm和2334nm;测量CO2(二氧化碳)的1573nm和2004nm;测量H2S(硫化氢)的1580nm和1590nm; 测量CH4(甲烷)的1654nm;测量HCl(氯化氢)的1742nm;更多气体检测所需用到的吸收峰可以参考我们的技术资料——不同气体光谱分析的常用波长。
VERTILAS也可以提供客户指定波长的激光器,深圳市比尔朗伯科技作为VERTILAS在中国的独家代理商,将竭诚为您提供技术解决方案,您有任何的技术问题,都可以随时联系我们。
技术参数:
1512nm激光器参数示例:

2004nm激光器参数示例:

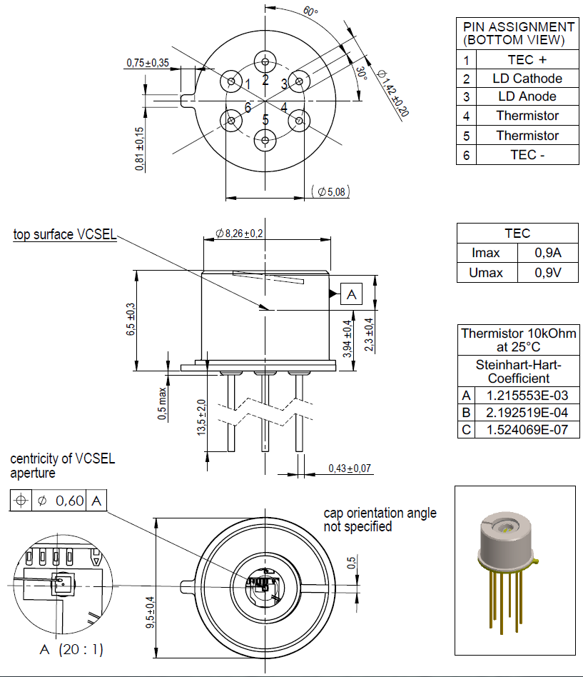
封装选择示例:

SQ-A5封装示例:

ST-H4封装示例:
(带光纤和TEC)

注意:本参数为常规参数,因为每一次的激光器芯片切割存在不可避免的误差,故激光器的最终参数以配备的最终参数表为准。
常用气体探测波长:

由于版幅有限,只列举了部分气体及部分吸收波长作为示例,更多气体及吸收波长请与我们联系,我们会帮您找到最适合您的产品。