类型  热电制冷型
  内置传感器  InAs
  感光面积  φ1 mm
  制冷  热电制冷
  截止波长  3.45 μm
  峰值波长(典型值)  3.25 μm
  测试条件  典型值Ta=25 ℃,Vcc=±15 V,Vp=+2.5 V(特殊说明除外)

光谱响应

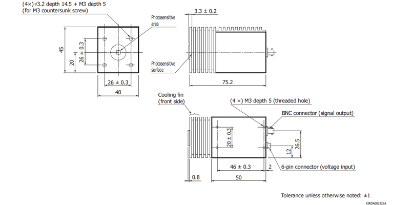
外形图(单位:mm)