封装  塑料
  封装类型  表面贴装
  象元数  1
  工作电压  5V
  类型  标准型
  特性  电流放大器增益:6倍
  测试条件  除特殊说明,Ta=25 ℃

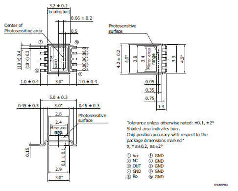
外形图(单位:mm)