感光面积  φ0.3 mm
  象元数  1
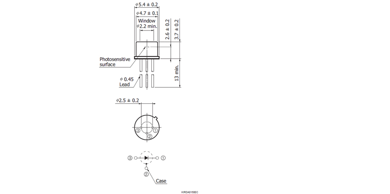
  封装  金属
  封装类型  TO-18
  制冷  非制冷
  光谱响应范围  0.9 to 1.7 μm
  峰值波长(典型值)  1.55 μm
  光灵敏度(典型值)  0.9 A/W
  暗电流(最大值)  0.5 nA
  截止频率(典型值)  600 MHz
  结电容(典型值)  5 pF
  测试条件  典型值,Ta=25 ℃

光谱响应

外形图(单位:mm)