感光面积  φ1 mm
  象元数  1
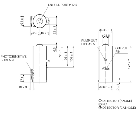
  封装  金属杜瓦
  制冷  液氮
  截止波长(典型值)  3.1 μm
  峰值波长(典型值)  3 μm
  光灵敏度(典型值)  1.3 A/W
  上升时间(典型值)  0.1 μs
  测试条件  典型值

光谱响应

外形图(单位:mm)