主要特点

位移调整采用测微头驱动,精密位移,定量读数

采用进口高品质蝶形弹簧复位,稳定性极佳

◆单轴倾斜调整

台面和底座分布标准孔距的安装孔,方便安装和组合

可与创谱其它系列位移台组成多维调整系统
参数选型

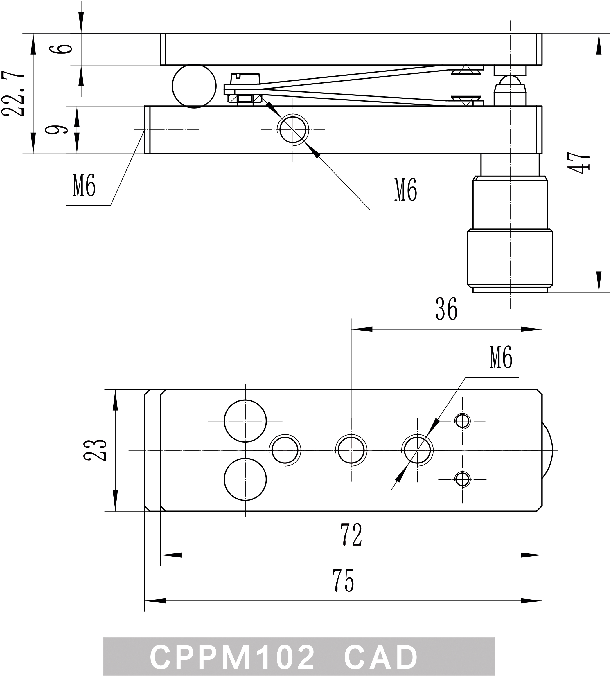
产品型号

CPPM101

CPPM102

驱动方式

测微头

调整轴数

单轴

调整范围

±3°

5.5°

分辨率

0.001

精度

0.003mm

台面尺寸

80mm×120mm

23mm×75mm

自重

0.5kg

0.2kg

CPPM102 CAD

CPPM102-CAD.jpg